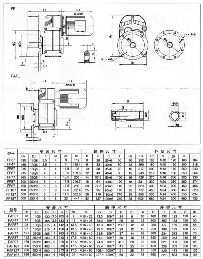
F系列平行轴斜齿轮减速电机

F系列平行轴斜齿轮减速电机

F系列平行轴斜齿轮减速电机

F系列平行轴斜齿轮减速电机 
产品概述:  
1、F系列平行轴斜齿轮减速电机采用模块化设计,可根据客户要求进行变化组合,
2、减速机采用渐开线行星齿轮传动,合理利用内、外啮合、功率分流,
3、齿轮均采用渗碳淬火处理,得到高硬耐磨表面,齿轮热处理后全部磨齿,降低了噪音,提高了整机的效率和使用寿命。
4、齿轮减速器质量轻、体积小、传动比范围大、效率高、运转平稳、噪声低适应性强等特点。减速机广泛应用于冶金、矿山、起重运输、电力、能源、建筑建材、轻工、交通等工业部门。 
 
性能特点: 
1、F系列平行轴斜齿轮减速电机采用渐开线行星齿轮传动,合理利用内、外啮合、功率分流。因此具有重量轻、体积小、传动比范围大、效率高、运转平稳、噪声低、适应性强等特点
2、箱体采用球墨铸铁,大大提高了箱体的刚性及抗震性。
3、输入方式:同心轴输入,斜齿轮输入,锥齿轮-斜齿轮输入,锥齿轮输入。
4、输出方式:内花键式,空心轴收缩盘式,外花键式,实心轴平键。
5、安装形式:水平安装,垂直安装,扭力臂安装。
6、采用模块化设计,可根据客户要求进行变化组合。
7、和R系列、K系列组合可得到更大速比。 
 
技术参数: 
速比范围:基本型25~4000
扭矩范围:2.6~900 kNm

功率范围:22~1920 kW